
Click to get the cataloq with links to plans for immediate download:
Start building your tiny house today. Download the plans immediately and build from your phone. The size is 8.5 x 20 feet. It has a full bath with tub/shower and a small kitchenette. Ideal for low cost, low key residential or could also work as a retail or office space. can be towed on the highway. The deck is not included.
Click HERE
MICRO APARTMENT BUILDING PLANS by William Edward Summers Creative Projects
(Scroll down for more plans)
I am finishing up, and ready to offer the design for two building concepts, a mini and micro apartment building. The mini building is initially in modules of eight units which is four per floor. The micro apartment building has five units per floor for ten per building. Building foot prints are 28 x 65 (micro) or 30 x 63 (mini). Plans will be ready to use for permit application and construction. There is flexibility with the concept because I can provide several different apartment floor plan configurations, and assemble the buildings using any of the plans. We can also do single family micro houses with these floor plans.
Micro living is not for everyone, but it does offer some interesting options. For example the square footage of a modest single family house is the equivalent of my eight unit apartment building. What a great choice for a pied-a-terre or living in the centers of expensive luxury cities like new York City, San Francisco, Paris or Tokyo. Developers will also like the option of being able to sell micro condominiums.
Please contact me if you are considering Micro plans and I can fully discuss the different options I have readily available or explore custom design for you.
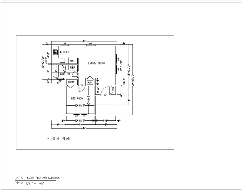
In some cities growth in the housing stock is encouraged by allowing the construction of small secondary houses on single family lots behind the main house. In Vancouver ,B.C. these houses are called lane houses, in Victoria B.C. they are called garden apartments. In the United States they are often referred to as “tiny houses”. This house, the Garden Cottage, is designed to meet the requirements for this type of housing in these two cities specifically. This plan is a one bedroom five hundred square foot cottage with a Tudor, English cottage inspired style. Available as PDF files, ready for building permit application and construction. The plans are $250.00